


Led 7 thanh 4 số là một trong những led 7 thanh được dùng nhiều trong các mô hình điện tử, các thiết bị cần hiển thị thông số: điện áp vào, điện áp ra
Led 7 đoạn 4 số có 4 chân với kích thước nhỏ gọn, màu hiển thị dễ dàng cho việc lắp đặt trên các mạch điện tử.
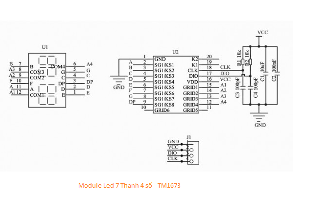
1) Thứ tự chân và cách kết nối với Arduino:
- VCC : nối với chân 5V
- GND : nối với chân GND
- CLK và DIO gắn vào chân digital ( tùy bạn chọn , trừ chân 0 và 1 ra )
2) Sơ đồ nguyên lý:

3) Kết hợp với Arduino:
- Để lập trình cho module led bằng Arudino IDE, ta cần có thư viện ứng với module này:
Thư viện của TM1637Display:
Giá sản phẩm trên Tiki đã bao gồm thuế theo luật hiện hành. Bên cạnh đó, tuỳ vào loại sản phẩm, hình thức và địa chỉ giao hàng mà có thể phát sinh thêm chi phí khác như phí vận chuyển, phụ phí hàng cồng kềnh, thuế nhập khẩu (đối với đơn hàng giao từ nước ngoài có giá trị trên 1 triệu đồng).....
| Thương hiệu | OEM |
|---|---|
| SKU | 3855657939015 |
điều khiển quạt mitsubishi mạch hạ áp arduino uno r3 adruino mạch sạc pin 18650 ardunio uno r3 arduino mạch băm xung kích cá cơ sim ghép mạch sạc dự phòng tụ quạt arduino uno cảm biến ánh sáng tắt mở đèn cảm biến cảm biến nhiệt độ công tắc cảm biến tiệm cận module cảm biến cho arduino bộ mạch điều tốc mạch tăng âm thanh bluetooth mạch âm thanh bluetooth mạch loa bluetooth mạch bluetooth mạch khuếch đại âm thanh 200w module cảm biến chạm ttp223 module bluetooth module bluetooth hc bo mạch khuếch đại mini mach khuech dai am thanh class d tpa3116d2 cong suat 120w120w công tắc cảm bién ánh sáng mạch chuyển tiếp tín hiệu